
How Nitrera Helps Customers Solve Real-world Problems
Metallurgical analysis is essential for ensuring that engineered components perform reliably under demanding conditions. At Nitrera Technologies, our laboratory services give you actionable insights into material quality, heat-treat process effectiveness, and root-cause failure analysis. Whether you need material identification, process verification, reverse engineering support, failure investigation, or R&D testing, our lab is equipped and staffed to deliver.
Our strength lies in combining advanced testing techniques with practical engineering insight. We don’t just analyze materials; we translate results into meaningful solutions that impact your bottom line.
1. Surface Hardening Process Verification


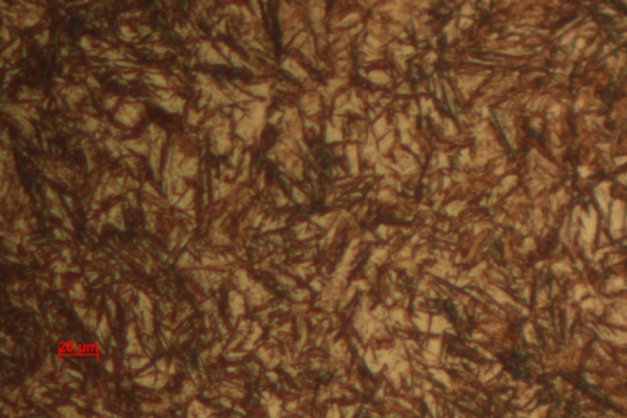
Nitriding, nitrocarburizing, carburizing, carbonitriding, induction hardening, and laser hardening are widely used case-hardening processes. They create hard, wear-resistant surfaces, increase fatigue life, and improve corrosion resistance. However, consistent performance depends on verifying the correct surface hardness, total and effective case depth, compound layer thickness, diffusion zone depth, core hardness, and microstructure uniformity.
Microhardness testing and metallographic analysis provide the accurate data you need to confirm your parts meet specification.
What Our Lab Provides
- Microhardness profiles from surface to core
- Macro hardness testing of surface and core
- Micro and macro etching of ferrous and non-ferrous alloys for microstructure and surface defect analysis
- High-resolution micrographs of nitrided, carburized, and other case-hardened layers
- Compound layer and diffusion zone depth measurement
- Process parameter and heat treatment cycle verification
- Detection of compound layer brittleness, insufficient case depth, or other anomalies
Your Benefit: Confidence that your case-hardened components meet specification, backed by accurate data and professional reporting.
2. Microhardness Testing for Quality Control


Microhardness testing is a powerful tool for understanding material behaviour on a microscopic scale. It allows us to map hardness gradients across case-hardened layers, evaluate heat-affected zones, and verify consistent material performance across your parts.
Professional Reports Include
- Vickers microhardness readings from surface to core or across any cross-section under investigation
- Case depth confirmation for nitrided, carburized, and other case-hardened parts
- Verification of heat treatment effectiveness
- Identification of over-tempering, soft zones, or inconsistent hardness profiles
- Tempering & rehardening from grinding operations
Your Benefit: Reliable, professional documentation that supports your quality assurance processes and ensures your components meet required hardness specifications—preventing failures related to soft cases, excessive brittleness, or improper heat treatment.
3. Microstructure Evaluation of Ferrous & Non-Ferrous Alloys

Carburizing creates a tough, wear-resistant surface with a strong, ductile core—ideal for gears, shafts, and high-load components. But incorrect carburizing can lead to grain growth, retained austenite, or carbide networks that compromise part performance.
Our Metallographic Evaluation Includes
- Case and core microstructure comparison
- Grain size assessment per ASTM standards
- Detection of intergranular oxidation (IGO)
- Identification of carbide distribution, retained austenite, and other microscopic phases
- Evaluation and image analysis of microconstituent quality and quantity
Your Benefit: Verify compliance with AGMA and other industry standards. Avoid premature pitting, tooth breakage, distortion, and fatigue failures. Ensure your carburizing processes are optimized for maximum strength and durability.
4. Failure Analysis: Understanding Why Components Fail



When a part fails, the consequences impact safety, production schedules, and customer confidence. Our failure analysis services uncover the root cause so you can take corrective action.
Using stereomicroscopy, hardness mapping, microstructural evaluation, spectrometry, and SEM analysis, we identify:
- Ductile vs. brittle fracture mechanisms
- Fatigue crack initiation and propagation paths
- Material chemical composition, tensile properties, and ductility
- Material defects including inclusions, voids, and microstructural anomalies
- Evidence of overload, overheating, manufacturing defects, or service-related errors
- Heat treatment anomalies contributing to failure
Your Benefit: Evidence-based reports and conclusions that help you correct process flaws, refine designs, improve material selection, and prevent repeat failures—reducing downtime and costly rework.
Why Choose Nitrera Technologies
At Nitrera, our metallurgical lab combines advanced, calibrated and certified testing equipment with practical engineering expertise. We don’t just deliver data—we provide the context and recommendations you need to make informed decisions.
What You Get Working with Us
- Improved reliability and performance of your components
- Independent verification of heat treatment effectiveness
- Early detection of process deviations before they become costly
- Enhanced failure prevention strategies based on real data
- Data-supported decision-making for design and manufacturing
- Reduced scrap, warranty claims, and rework
- Professional reports prepared by qualified technicians and a registered Professional Engineer
- Fast, reliable, and cost-effective service—like having your own in-house lab
Get Started
Our metallurgical evaluations provide clarity, certainty, and confidence—ensuring that your products perform exactly as intended in the field. Contact our sales or engineering team to discuss your requirements and get a tailored quote.
Phone: (778) 298-2217
Email: sales@nitrera.com
Request a Quote: www.nitrera.com/quote
Q vs QP vs QPQ Application Table
(Standard process)
Polish + Quench
Reduces Friction & Adhesion by up to 60%
Black Oxide (Quench) for Corrosion Resistance & Aesthetics.
Nitriding can increase RA up to ~32µin (0.8µm) total
QP restores RA to ~8-16µin (0.2-0.4µm)
RA can be restored to ~2µin (0.05µm) by hand polishing or other means.
Some material may be aesthetically affected by brown/red iron oxides (particularly stainless steels and cast iron)
Very high quality & consistent appearance from part to part & batch to batch.
Polishing removes brown oxides and other surface contamination & visible defects.
(Compared to Raw / un-Nitrided Material)
Martensitic stainless steels: Moderate increase
Nodular irons: Slight increase
Precipitation hardened stainless steels: Unchanged
Ferritic & Austenitic stainless steels: Decreased
Martensitic stainless steels: Same as Q
Nodular irons: Same as Q
Precipitation hardened stainless steels: Reduced compared to Q
Ferritic & Austenitic stainless steels: Further reduced compared to Q
Martensitic stainless steels: Likely better than Q
Nodular irons: Same as Q
Precipitation hardened stainless steels: Likely better than Q
Ferritic & Austenitic stainless steels: Significantly better than Q
Components with high-spec aesthetic requirements. E.g.: Firearms, tools, etc.
Everything else if the additional cost is worth it.
1 55-60HRC for Carbon Steels, 60-70HRC for Low-alloy Steels, 70HRC+ for Stainless Steels
2 Nitriding is not expected to increase surface roughness (RA) where the starting roughness is >32µin (0.8µm)
3 Up to ~400hr ASTM B117 salt spray test
